Legacy Solar

Clean Energy Legacies for a Sustainable Future

 
Solar Space Heating/Dometic Hot Water System

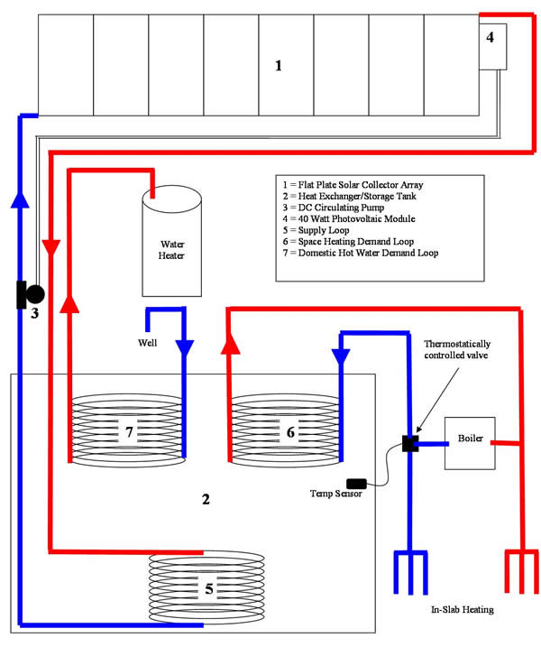
The numbers used in the text below refer to the system diagram on the following page. The main components of this system are: the flat plate collectors (1), the heat exchanger/solar storage tank (2), the circulating pump (3), the photovoltaic module (4), the supply loop (5), and the demand loops (6, 7).

When the sun shines on the collectors (1), it heats up the fluid. At the same time, that sunlight provides power to the circulating pump (3) via the photovoltaic module (4). The heat absorbed by the collectors is transferred to the water in the storage tank as it is circulated through the supply loop (5) in the bottom of the solar storage tank (2). Cooler fluid exits the source loop and returns to the collectors to be reheated by the sun. This part of the system is a closed loop meaning that the same fluid is continually circulated and no fluid is lost or gained.

Heat is removed from the storage tank for use in the home via two demand loops (6, 7) near the top of the solar storage tank. One loop (6) provides space heating to the in-slab radiant heating system while the other (7) provides domestic hot water.

The space heating loop will transfer solar heat from the storage tank into the slab. The cooler fluid will return from the slab to be reheated by the demand loop (6). This part of the system is also a closed loop where the same fluid is continually circulated. If the heat present in the solar storage tank is not adequate to supply heat to the slab, the system will automatically switch the heating function to the LP boiler. This can occur during periods of extended cloudy weather and/or extreme cold. A mixing valve is present at the output of the storage tank to prevent high temperature water (>140° F) from entering the in-slab loops.

The domestic water heating demand loop will transfer solar heat from the storage tank into the hot water heater. Cold water is supplied to the demand loop (7) by the well pump. The water is then heated as it passes through the demand loop. If the heat provided by the solar storage tank is lower than the water heater setting, the water heater will turn on to boost the temperature as needed. A mixing valve is present at the output of the water heater to prevent scalding temperatures at household water outlets. This is an open loop system component in that water is continually added (from the well) and removed (shower, washer, etc.).

Legacy Solar © 2009